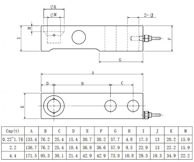
| Parameter | Werte |
| Kapazität | 0.22/0.55/1.1/1.76/2.2/4.4t |
| Nennleistung | 10,94 ± 1% mV/V |
| Null Bilanz | ± 2% mV/V |
| Ich bin ein Arschloch. | ≤ 0,0166% F.S. |
| Nichtlinearität | ≤ 0017% F.S. |
| Hysterese | ≤ 0017% F.S. |
| Wiederholbarkeit | ≤ 0,017% F.S. |
| Eintrittswiderstand | 390 ± 3Ω |
| Ausgang RExistenz | 350 ± 5Ω |
|
Temp.Effekt auf die Leistung
|
0.014% F.S./10 °C
|
|
Temperaturwirkung bei Null
|
0.012% F.S./10 °C |
| Isolierwiderstand | Die Leistung der Prüfungen ist in den folgenden Bereichen zu berücksichtigen: |
| Empfohlene Erregung | 5 bis 12 V |
| Maximale Erregung | 15 V |
| Kompensierte Temperaturbereiche | -10 bis 60°C |
| Betriebstemperaturbereich | - 20 bis 80°C |
|
Sicherheitslastgrenze |
150% F.S.
|
|
Lasten brechen |
200% F.S.
|
|
Größe des Kabels
|
5,4x1,5 m
|
|
Material
|
mit einer Breite von nicht mehr als 20 mm |





Unternehmensinformationen
Dienstleistungsstandards:Wir sind bestrebt,Eein hochwertiger und reaktionsschneller Service für alle Kunden
Die schnellste Antwort: Bitte kontaktieren Sie uns.Wirwenn Sie Fragen haben.Du wirst eine Antwort bekommen. vom professionellen und erfahrenen Handelsmanager innerhalb von 24 Stunden.WennUnser Handelsmanager ist offline.Ich...Bitte geben Sie uns eine Nachricht und sagen Sie uns, welches Produkt Sie verwenden Modell, das Sie brauchen und Ihre E-Mail-Adresse.
QualitätssicherungEine gute Qualität wird durch eine fortschrittliche Fertigung gewährleistet Und alle Produkte werden vor dem Versand von unserem professionellen QC-Team streng getestet.
Dienst von Tür zu Tür:Wir versenden das Paket normalerweise per DHL, EMS. und TNTusw.Die Nachverfolgungsnummer wird Ihnen nach der Lieferung zugesandt. Es dauert normalerweise 3-5 Werktage zu erreichenvon von unserer Seite zuIhreSeite,dieist sehr praktisch für Ihr Geschäft
OEM-Produkteverfügbar