logo
Haus > produits >
Drucksensor
>
Drucksensor Chemische Industrie Präzise Absolut Edelstahl Ausgang Piezoresistiver Druckwandler

Drucksensor Chemische Industrie Präzise Absolut Edelstahl Ausgang Piezoresistiver Druckwandler

Produktdetails:
Place of Origin: CHINA
Markenname: RUIJIA
Zertifizierung: CE
Model Number: RJ12
Ausführliche Information
Place of Origin:
CHINA
Markenname:
RUIJIA
Zertifizierung:
CE
Model Number:
RJ12
Product type:
chemical differential pressure pressure vibration sensors universal
Range:
-100kPa~100MPa
O Ring:
16*1.8mm(nitrile rubber or viton)
Response Time:
≤1ms
Packing Medium:
Silicon Oil / Fluorine Oil
Shell & Diaphragm Material:
316L Stainless Steel
Hervorheben:

High Light

Hervorheben:

Genauer Absolute-Druck-Sensor

,

Chemische Industriedrucksensoren

,

Piezoresistiver Druckwandler

Handelsinformationen
Minimum Order Quantity:
1
Preis:
USD10-16.2/piece
Packaging Details:
Standard export packaging
Delivery Time:
Within 2Weeks
Payment Terms:
L/C, D/A, D/P, T/T, Western Union, MoneyGram
Supply Ability:
2000 Piece/Pieces per Month
Produkt-Beschreibung

Drucksensor Chemische Industrie Präzise Absolut Edelstahl Ausgang Piezoresistiver Druckwandler

 

Der piezoresistive Drucksensor der RJ-Serie verwendet den international fortschrittlichsten hochstabilen und hochpräzisen Siliziumdruckchip und den Sinterplatz mit Spannungsofffizienz.mit einem Gehalt an Kohlenwasserstoffen von mehr als 10 GHT, Golddrahtverbindung, Membranschweißen, Hochausspritzölinspritzung, Druckzyklus-Spannungsentlastung, Hochtemperaturalterung, Temperaturkompensation usw. Mit mehr als 30 Jahren Entwicklung,Produktionserfahrung und technologische Innovation, die Produkte haben eine ausgezeichnete Stabilität und Leistung und werden von den Benutzern weithin anerkannt.
 
Der piezoresistive Drucksensor importierte hochpräzise, hochstabile, kraftempfindliche Chips, übernahm fortschrittliche Technologie und verarbeitete die Ausrüstung fein.Chemie, Metallurgie, Elektrizität, Luftfahrt, medizinische Geräte.

 

Drucksensor Chemische Industrie Präzise Absolut Edelstahl Ausgang Piezoresistiver Druckwandler 0

Drucksensor Chemische Industrie Präzise Absolut Edelstahl Ausgang Piezoresistiver Druckwandler 1

Reichweite
-100 kPa bis 100 MPa
 
Parameter
Typischer Wert
Höchstwert
Einheit
Null-Ausgabe
± 1
± 2
mV
Nichtlinearität
0.2
0.5
% FS
Hysterese
0.05
0.1
% FS
Wiederholbarkeit
0.05
0.1
% FS
Eingangs-/Ausgangsimpedanz
2.6
3.8
Nulltemperaturverschiebung*
±0.15
±0.8
% FS, @ 25°C
Empfindlichkeit Temperaturverschiebung*
±0.2
±0.7
% FS, @ 25°C
Langfristige Stabilität
0.1
% FS/Jahr
Aufregungströmung
1.5 ((Die maximale Eingangsspannung beträgt 10VDC)
mA
Isolierwiderstand
500 ((500VDC)
Kompensationstemperatur
0~50; -10~80
°C
Betriebstemperatur
-40 ~ +85
°C
Speichertemperatur
-40 ~ +125
°C
Reaktionszeit
≤ 1
m
Schalen- und Zwerchfellmaterial
316L Edelstahl
 
Messmedium
Die Flüssigkeit, die mit 316L, Viton, Nitrilkautschuk kompatibel ist
 
Vibration ((20 ~ 500 Hz)
20
G
Nützliche Zeit ((25°C)
>1*108Druckzirkulation ((80% FS)
Zeiten
Verpackungsmittel
Silikonöl / Fluoröl
 
Gewicht
36
g
O Ring
Φ16*1,8 mm ((Nitrilkautschuk oder Viton)
 
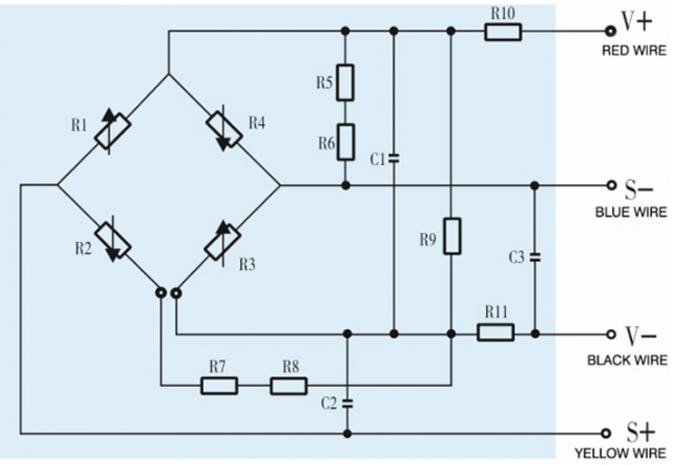
Verbindung:
Rot draht -- positiv vdd schwarzer draht -- gelb gedreht draht -- positiv ausgang blauer draht -- negativ ausgang
Drucksensor Chemische Industrie Präzise Absolut Edelstahl Ausgang Piezoresistiver Druckwandler 2
Xi'an Ruijia Measuring Instruments Co., Ltd. ist ein Hersteller von Kraftsensoren und verwandten Produkten, der sich der Bereitstellung hochwertiger Lösungen für verschiedene Branchen widmet.Mit einem Engagement für Innovation, Zuverlässigkeit und Präzision haben wir uns als vertrauenswürdiger Partner für Unternehmen weltweit etabliert.
Seit unserer Gründung im Jahr 2005 verfügen wir über langjährige Erfahrung im Bereich der Waagetechnik, die es uns ermöglicht, Produkte auf die Bedürfnisse unserer Kunden zugeschnitten zu liefern.Unsere Produktpalette umfasst eine umfassende Auswahl an LastzellenWir bieten eine Vielzahl von Produkten für die Gewichtung, die für die industrielle Automatisierung, die Logistik, den Transport, das Gesundheitswesen, den Einzelhandel,und mehr.
Bei Xi'an Ruijia Measuring Instruments Co., Ltd. sind wir stolz auf unsere technologische Expertise und unser Engagement für kontinuierliche Verbesserung.Unser Team von erfahrenen Ingenieuren ist bestrebt, innovative Lösungen zu entwickeln, die die Grenzen der Wiegteknologie überschreiten., um sicherzustellen, dass unsere Produkte die höchsten Leistungs- und Genauigkeitsstandards erfüllen.Unsere Produkte werden von Unternehmen aller Größen verwendet., von kleinen Unternehmen bis hin zu multinationalen Konzernen, sowohl auf dem nationalen als auch auf dem internationalen Markt.
Qualität steht im Mittelpunkt unseres Handelns und wir halten uns an strenge Qualitätskontrollmaßnahmen während des gesamten Herstellungsprozesses, um sicherzustellen, dass unsere Produkte die Industriestandards erfüllen oder übertreffen.Unser Engagement für Qualität hat uns bei unseren Kunden einen guten Ruf für Zuverlässigkeit und Exzellenz eingebracht.Wir bieten einen umfassenden Kundenservice und Support an, einschließlich technischer Beratung, Vor- und Nachverkaufsservice.um eine nahtlose Erfahrung für unsere Kunden zu gewährleisten.
Mit einem Fokus auf Innovation, Qualität und Kundenzufriedenheit ist die Xi'an Ruijia Measuring Instruments Co., Ltd. Ihr vertrauenswürdiger Partner für alle Ihre Bedürfnisse im Bereich der Wägung von Sensoren.
 
Unsere Dienstleistungen

 

Dienstleistungsstandards:Wir sind bestrebt,Eein hochwertiger und reaktionsschneller Service für alle Kunden

Die schnellste Antwort: Bitte kontaktieren Sie uns.Wirwenn Sie Fragen haben.Du wirst eine Antwort bekommen. vom professionellen und erfahrenen Handelsmanager innerhalb von 24 Stunden.WennUnser Handelsmanager ist offline.Ich...Bitte geben Sie uns eine Nachricht und sagen Sie uns, welches Produkt Sie verwenden Modell, das Sie brauchen und Ihre E-Mail-Adresse.

QualitätssicherungEine gute Qualität wird durch eine fortschrittliche Fertigung gewährleistet Und alle Produkte werden vor dem Versand von unserem professionellen QC-Team streng getestet.

Dienst von Tür zu Tür:Wir versenden das Paket normalerweise per DHL, EMS. und TNTusw.Die Nachverfolgungsnummer wird Ihnen nach der Lieferung zugesandt. Es dauert normalerweise 3-5 Werktage zu erreichenvon von unserer Seite zuIhreSeite,dieist sehr praktisch für Ihr Geschäft

OEM-Produkteverfügbar

 

Häufig gestellte Fragen

1- Welche detaillierten Informationen gibt es?Ich...müssen, wennIch...Möchten Sie etwas bestellen?

Wir müssen folgende Informationen kennen:Kapazität, Verwendungund andere zugehörige Parameter Du brauchst sie.

2Haben Sie einen Rabatt?

Ja, wenn Sie große Mengen kaufen, senden Sie uns bitte eine E-Mail, wir werdenSieheDu bekommst einen großen Rabatt.

3Welche Zahlungsbedingungen stehen zur Verfügung?

Wir akzeptierenT/T, L/C, HandelssicherungSichere Zahlung,Western Union, Paypal, Geld Gramm usw.

4.Wann arrangieren Sie die Produktion?

Das werden wir.die Produktion sofort nach Erhalt Ihrer Zahlung zu organisieren.

5Wie gewährleisten Sie eine gute Produktqualität?

Wir haben ein vollständiges Qualitätskontrollsystem, alle unsere Produkte werden vollständig von IQC, OQC Abteilungen vor dem Schiff überprüftPingzu unseren Kunden.